1과목: 과목 구분 없음
1. 동기발전기의 동기리액턴스가 증가할 때, 이에 대한 설명으로 옳지 않은 것은?
2. 전기자저항이 0.5[Ω]인 분권직류전동기가 단자전압 220[V], 전기자전류 20[A], 토크 To[Nㆍm]로 운전 중이다. 동일한 단자전압에서 전기자전류가 40[A]로 증가했을 때, 토크[Nㆍm]는? (단, 자속은 일정하다)
3. 동기기에 대한 설명으로 옳지 않은 것은?
4. 권선비가 a=N1/N2인 단상변압기 3대를 Y-△결선할 때, 선간전압의 비(V1/V2)는?




5. 동기전동기의 기동법 중 유도전동기의 원리에 의해 기동토크를 발생시켜 동기속도 부근까지 가속하는 기동법은?
6. 그림과 같은 반파정류회로에서 전원전압 vs가
[V]이고, 부하저항 R이 10[Ω]일 때, 부하전류 io의 평균값[A]은? (단, 다이오드는 이상적으로 동작하며, 부하인덕턴스 L은 매우 크다)




7. 그림의 (가)와 (나) 영역에 적합한 타여자 직류전동기의 속도제어법은?
8. 그림과 같은 구동회로와 상 역기전력, 상전류를 갖는 전동기에 대한 설명으로 옳지 않은 것은?
9. 8극, 60[Hz], 3상 Y결선의 권선형 유도전동기가 855[rpm]으로 정격운전 중이다. 회전자 각 상저항 r2의 6배가 되는 저항을 2차측에 추가로 접속하여 동일한 정격토크로 운전할 때, 회전수[rpm]는?
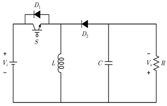
10. 그림과 같은 컨버터가 정상상태로 동작하고 있을 때, 전압전달비(Vo/Vi)를 듀티비 D로 나타내면? (단, 모든 소자는 이상적으로 동작하고 인덕터의 전류는 연속이다)




11. 5[kVA], 50[Hz] 단상변압기에 1차전압 3,000[V]를 인가하여 무부하 운전 중이다. 여자어드미턴스와 여자컨덕턴스가 각각 5×10-5[℧]와 5×10-6[℧]일 때, 여자전류[A]와 철손[W]은? (단, 권선저항과 누설리액턴스는 무시한다)
12. 직류기의 전기자반작용에 대한 설명으로 옳지 않은 것은?
13. 스테핑 전동기에 대한 설명으로 옳지 않은 것은?
14. 변압기에 대한 설명으로 옳은 것은?
15. 극수 P인 3상 유도전동기에서 동기속도 Ns[rpm], 회전자속도 N[rpm], 슬립 s, 2차입력 P2[W], 2차동손 Pc2[W], 기계적 동력으로 변환되는 출력 Po[W], 토크 T[N·m]라고 할 때, 관계식이 옳은 것은?




16. 2차측 무부하전압이 220[V]인 단상변압기에 10[Ω]의 저항부하를 연결할 때, 전압변동률이 10[%]이다. 이때, 2차측 전류[A]는?
17. 정격출력 3.5[kW], 전원주파수 60[Hz]인 4극 3상 농형유도전동기가 전부하 시 1,750[rpm]으로 운전될 때, 동기와트[kW]는? (단, 기계적 손실은 무시한다)
18. 변압기의 단락조건과 동일한 현상이 발생하는 3상 유도전동기의 운전상태는?
19. 그림과 같은 동기발전기의 페이서도에 대한 설명으로 옳지 않은 것은?
가
보다 위상이 뒤지면 양의 무효전력 값을 갖는다.20. 무부하에서 유기기전력이 200[V]인 타여자 직류발전기의 자속을 2배로 하고, 회전속도를 1/2배로 하여 부하전류가 50[A] 흐를 때, 단자전압[V]은? (단, 전기자저항은 0.1[Ω], 브러시에 의한 전압강하는 2[V]이고 전기자반작용은 무시한다)