1과목: 디지털전자회로
1. 다음 중 SNR(Signal Noise Ratio)에 대한 설명으로 틀린 것은?
2. 다음 중 펄스 변조(Pulse Modulation)의 종류에 해당되지 않는 것은?(문제 오류로 가답안 발표시 4번으로 발표되었지만 확정답안 발표시 모두 정답처리 되었습니다. 여기서는 가답안인 4번을 누르면 정답 처리 됩니다.)
3. 다음 중 비트동기 전송방식의 설명으로 옳은 것은?
4. 다음 중 외부 피복이나 차폐재가 추가되어 있어 옥외에서 통신기기간에 가장 적합한 케이블은 어느 것인가?
5. 여러 사용자가 유효한 부반송파의 부분집합을 서로 다르게 분할 할당받아 사용하며 LTE에 적용된 다중접속 방식은?
6. 통화로 신호방식(Channel Associated Signaling)의 설명으로 틀린 것은?
7. ARQ(Automatic Repeat Request) 방식 중 송신 측이 수신 측으로부터 제어신호 NAK를 받으면, 제어신호와 함께 수신된 에러 데이터 블록 번호 N부터 NAK 제어신호 접수 시 전송되고 있던 블록까지 다시 전송하는 방식은?
8. 어떤 증폭기가 중간 영역(0dB 기준)에서 10[V]의 출력전압 실효값을 갖는다. 입력전압이 일정한 실효값을 가질 때 –3[dB] 이득 감소에 대한 출력전압 실효값은 얼마인가?
9. 다음 중 이동통신에서 기지국(Base Station)의 통신채널 처리용량을 증가시키는 방법으로 틀린 것은?
10. 다음 중 CAT3 이상에서 도선이 꼬이는 이유로 틀린 것은?
11. 3단 존슨 카운터는 몇 번째 클럭 때 최초 상태로 돌아오는가?
12. 다음 중 광섬유의 구조 파라메터로 옳은 것은?
13. 디지털 통신방식에서 비동기식 검파방식인 포락선 검파가 가능한 변조방식은?
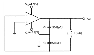
14. 다음 회로에서 발진을 지속하기 위한 증폭기 이득(Av)과 발진주파수(fo)는 약 얼마인가?
15. 다음 중 신호에 대한 설명으로 틀린 것은?
16. 다음 회로에서 Y는 어떤 파형이 출력되는가? (단, 입력은 64[kHz] 구형파이다.)
17. 주기 신호의 스펙트럼을 구하기 위한 방법은 무엇인가?
18. 4진 PSK의 반송파 간의 위상차는 몇 도인가?
19. 다음 중 데이터 전송을 위한 오류 검출 방식에 속하지 않는 것은?
20. 다음 중 바이트를 기본 단위로 간주하는 방식의 프로토콜은?
2과목: 정보통신기기
21. 다음 중 IP-PBX(Private Branch Exchange)의 도입 효과로 틀린 것은?
22. 정보통신시스템의 분류에서 데이터 전송시스템에 포함되지 않는 것은?
23. 사물인터넷(IoT)을 구현하기 위한 WPAN 표준화에 대한 설명으로 틀린 것은?
24. 다음 보기에서 설명하는 것은 무엇인가?
25. 다음 중 IPTV 서비스 요구 사항으로 적합하지 않은 것은?
26. 다음 중 스마트홈에서 기기들이 사용하는 무선네트워크기술이 아닌 것은?
27. IPTV의 주요 플랫폼과 기술의 구성 요소로 연결이 맞지 않은 것은?
28. 동기식 모뎀(Synchronous MODEM)에 대한 설명으로 틀린 것은?
29. 이동통신용 단말기의 사용 파장이 0.1[m]라면 주파수는 얼마인가?
30. 영상통신기기의 영상압축기법에서 손실형 압축기술이 아닌 것은?
31. 다음 영상회의시스템 구성요소 중 전송장비에 속하는 것을 모두 고른 것은?
32. 오감(五感) 기반의 사용자 입출력 기능으로 편의성 및 실감이 극대화된 컴퓨터는?
33. 전자칩을 부착하고 무선통신기술을 이용하여 사물의 정보를 확인하고 감지하는 기술은?
34. 다음 중 지능형 홈 네트워크 구축 시 설치 고려사항이 아닌 것은?
35. 다음 중 외장형 케이블 모뎀에 대한 설명으로 옳은 것은?
36. 다음 중 통계 시분할 다중화기의 설명으로 옳은 것은?
37. 다음 중 영상회의 시스템에 대한 설명으로 틀린 것은?
38. LTE(Long Term Evolution) 무선 품질 중 단말에 수신되는 Reference Signal의 세기를 나타내는 지표는?
39. Consumer IoT를 사람이 직접 디바이스 장치를 착용한 상태로 가정에서 생활의 편리를 위해 제공받는 서비스라고 할 때, Consumer IoT 서비스에 해당되지 않는 것은?
40. 다음 중 국선 배선반과 초고속 통신망 장비 등 각종 구내 통신용 설비를 설치하기 위한 공간을 무엇이라 하는가?
3과목: 정보전송개론
41. 전 세계 위성항법시스템(GNSS: Global Navigation Satellite System)의 종류에 해당하지 않는 것은?
42. 다음 중 광대역 종합정보통신망(B-ISDN)에 대한 설명으로 틀린 것은?
43. IP 주소 체계의 A class에 할당된 네트워크 ID 비트 수는?
44. OSI 기준모델의 4가지 기본 요소로 옳은 것은?
45. 인터넷망에서 노드 역할을 하고 있는 Router의 기능은 OSI 7 Layer의 참조모델에서 보면, 어떤 계층의 기능을 주로 수행하는가?
46. 다음 중 통화로 신호방식이 아닌 것은?
47. FM에서 변조지수가 4, 최대주파수편이가 80[kHz]일 때 최대 변조신호 주파수는?
48. 다음 중 Convolution Code에 대한 설명으로 틀린 것은?
49. 전력의 효율적인 활용을 위하여 생산, 저장, 전송, 전력수요 정보를 실시간 전송하는 차세대 지능형 전력망은 무엇인가?
50. 다음 중 IP 주소 체계의 C class에 유효한 주소는?
51. 이더넷의 국제 표준은 무엇인가?
52. 기존 SDH(Synchronous Digital Hierarchy)망 및 인프라를 그대로 사용하면서, 동기식뿐만 아니라 이더넷, PSTN, 전용회선 등 다양한 서비스 제공이 가능한 전송기술은?
53. 다음 중 라우터의 역할로 옳은 것은?
54. 다음 중 초고속 유선 가입자망을 구축하기 위하여 사용되는 HFC(Hybrid Fiber Coax) 기술에 대한 설명으로 틀린 것은?
55. 기존 IPTV에 이동성을 추가하여 이동 환경에서도 동영상 서비스 제공이 가능한 기술은?
56. 하나의 VLAN에서 다른 VLAN으로 패킷을 전송하기 위해 필요한 장비는?
57. 다음 중 라우터에 대한 설명으로 틀린 것은?
58. 다음 중 비연결형 전달계층 프로토콜은?
59. 다음 중 라우팅의 역할에 대한 설명으로 옳은 것은?
60. SNMP(Simple Network Management Procotol)에서 모니터와 에이전트가 주고 받는 광범위한 관리 매개 변소 모음을 무엇이라 하는가?
4과목: 전자계산기일반 및 정보설비기준
61. 다음 중 데이터 정제에서 오류 데이터 측정의 설명으로 틀린 것은?
62. 다음 중 정보통신공사업법 시행령에 명시된 공사의 종류 중 통신설비공사에 해당 하지 않은 공사는?
63. 다음 중 프로세서 제어 장치에 관한 설명으로 틀린 것은?
64. 다음 중 가상화 하이퍼바이저(Hypervisor)와 관계 없는 것은?
65. 다음 보기에서 설명하는 것은 무엇인가?
66. 마더 보드에 포함되지 않은 기능 혹은 자원을 컴퓨터에 추가하기 위해 사운드, 모뎀, 네트워크 등의 카드를 연결하는데 사용하는 것은?
67. 다음은 방송통신설비의 기술기준의 '분계점에서 접속'과 관련된 내용이다. 괄호 안에 들어갈 내용으로 적합한 것은?
68. DNS(Domain Name Service) 서버의 IP 주소를 잘못 설정했을 경우 발생할 수 있는 것으로 옳은 것은?
69. 8-비트 명령어 필드 중 OP Code를 위해 4 비트, Operand를 위해 4 비트가 할당되어 있을 경우, 마이크로프로세서가 가질 수 있는 최대 명령어의 개수는 몇 개인가?
70. 인터넷 등 오픈 네트워크에서 전자상거래용으로 사용하기 위한 보안프로토콜은 무엇인가?
71. 모니터로 화면을 출력해주며, 성능에 따라서 용도와 가격에 차이가 있다. 최근 이 장치의 프로세서를 이용해 가상화폐를 채굴하기도 하는 이 장치는 무엇인가?
72. 통신설비 내진 시험 중 바닥면을 기준으로 설비 상단의 단방향 진동 변위폭 기준은 얼마를 초과할 수 없는가?
73. 다음 중 출력장치에 대한 설명으로 틀린 것은?
74. 논리식
를 간력화하면?


75. “정보통신 용역업체에 근무하면서 상주감리원의 업무를 기술적·행정적으로 지원하는 사람”을 호칭하는 것은?
76. 다음 중 RISC(Reduced Instruction Set Computer)와 CISC(Complex Instruction Set Computer)에 대한 설명으로 옳은 것은?
77. 다음 괄호( ) 안의 ㉠에 맞는 내용은 무엇인가?
78. 다음의 용어는 무엇을 뜻하는가?
79. 다음 중 대칭 암호화 기술이 아닌 것은?
80. 구내용 이동통신설비 설치기준에 관한 설명이다. 괄호( ) 안에 들어갈 내용으로 가장 적합한 것은?