1과목: 승강기 개론
1. 권상형 로프의 구조에 대한 설명이다. 틀린 것은?
2. 엘리베이터의 기동과 주행은 고속권선으로 하고, 감속과 착상은 저속권선으로 행하는 제어방식은?
3. 브레이스 로드는 카 바닥에 균등하게 분산될 하중의 얼마정도를 카 틀에 전달하는가?
4. 나선형 에스컬레이터라고도 하며 나선형으로 상승 또는 하강하는 에스컬레이터는?
5. 압회로의 하나인 미터인(meter-in)회로에 대한 특징을 옳게 설명한 것은?
6. 도어가 닫히는 도중, 도어사이에 이물질 또는 사람의 신체일부가 끼었을 때, 도어가 다시 열리게 하는 장치가 아닌것은?
7. 권동식 권상기에 비하여 트랙션 권상기의 장점이라고 볼 수 없는 것은?
8. 케이지틀이 레일에서 벗어나지 않도록 하는 것은?
9. 로프식 승강기의 호출버튼, 조작반, 통화장치등 승강기의 안과 밖에 설치되는 모든 스위치의 높이는 바닥면으로부터 0.8m이상 1.2m이하에 설치 하여야 하나, 스위치가 많아 설치하기가 곤란 경우에는 몇 m 이하까지로 할 수 있는가?
10. 엘리베이터 내부의 휠체어 사용자용 조작반은 진입방향( )면에 ( )형으로 설치하고 그 높이는 바닥면으로부터 0.85m 내외로 하여야 한다. ( )에 들어갈 단어로 맞는 것은?
11. 동일 승강로에 2대 이상의 엘리베이터를 설치한 경우에 속도가 다르거나 정지층이 달라서 피트바닥의 높이차가 0.6m 이상일 때에는 그 사이에 추락방지용 난간을 설치 하여야 한다. 그 높이는 몇 m 이상이어야 하는가?
12. VVVF(Variavle Voltage Variable Frequency)제어방식 중 인버터제어방식의 특징이 아닌 것은?
13. 카가 정지층 이외의 공간에서 정지하였을 때 승객의 실족등을 방지하기 위하여 카실(car*sill)과 승강로 벽사이의 최대 수평거리는 몇㎜ 이하이어야 하는가?
14. 비상정지장치의 종류에 대한 설명으로 옳은 것은?
15. 고층형 아파트에 적합한 속도와 운전조작방식은?
16. 유압 엘리베이터에서 가장 많이 사용되는 펌프는?
17. 유압엘리베이터의 장점이 아닌 것은?
18. 도르래에 와이어 로프를 감는 방법으로 옳은 것은?
19. 엘리베이터용 완충기의 행정에 관한 설명 중 옳은 것은?
20. 에스컬레이터에는 해당되지 않는 안전장치는?
2과목: 승강기 설계
21. 승강로 상ㆍ하의 단말정차장치(Terminal Stopng Device)에 대한 설명 중 틀린 것은?
22. 베어링 메탈 재료의 구비조건으로 적당하지 않은 것은?
23. 가변전압 가변주파수 제어방식의 PWM 에 관한 설명으로 틀린 것은?
24. 다음은 웜기어와 헬리컬 기어 감속기의 특성을 비교한 설명이다. 틀린 것은?
25. 승객용 엘리베이터의 카측에 사용할 수 있는 가이드 레일의 최소 크기는?
26. 다이리스터(Thyristor)에 대한 설명으로 옳은 것은?
27. 변압기 용량을 산정할 때, 전부하 상승전류에 대해서는 부등율을 얼마로 계산하여야 하는가?
28. 엘리베이터용 전동기에 대한 설명으로 옳은 것은?
29. 피트의 충격하중에 대한 식으로 옳은 것은? (단, P : 피트충격하중[kg], W : 카 또는 균형추 총 량[kg], V : 조속기 트립속도[m/sec], S : 완충기 행정[m], g : 중력 가속도이다.)




30. 자유 높이가 460㎜ 이고, 권선의 지름이 25㎜, 권수가 12인 스프링완충기를 설치한 엘리베이터에서 카가 최하층에 수평으로 정지했을 때 카와 완충기사이의 거리가 500㎜라 하면 다음 중 균형추 꼭대기 틈새의 최소거리로 가장 적절한 것은?
31. 정격속도 120m/min 의 유입완충기를 설계하려고 한다. 이 유입완충기의 최소 스트로크는 약 몇 ㎜ 로 하는 것이 최적의 설계인가?
32. 엘리베이터 및 에스컬레이터 각 부의 안전율 적용이 잘못된 것은?
33. 엘리베이터의 각 종 상태에 대한 비상운전에의 전환 가능성을 설명한 것이다. 틀린 것은?
34. 적재하중이 550㎏, 카자중이 700㎏이고,단면적13.3cm2, 단면계수 Z=224.6cm3 인 SS-400을 1본사용할 때 1:1로핑인 경우 상부체대의 응력은 약 몇 ㎏/cm2인가? (단,상부체대의 길이는 160㎝인가?)
35. 엘리베이터용 가이드 레일의 적용시 고려되지 않는 것은?
36. 와이어로프와 권상도르래의 마찰력을 이용한 트랙션식권상기에서 도르래의 홈 형상에 따른 권상능력을 비교 하였을 때 옳은 것은?
37. 승용 승강기의 설치기준에 대한 설명으로 옳은 것은? (단, 층수가 6층 이상으로서 거실 면적의 합계는 3000m2를 초과한다고 한다.)
38. 감시반의 주된 기능으로 볼 수 없는 것은?
39. 로프식 엘리베이터의 기계실 출입문의 폭과 높이로서 적당한 것은?
40. 속도를 280m/min로 할 경우의 승강기 기종으로 가장 적당한 것은?
3과목: 일반기계공학
41. 지름 80㎜인 축에 20000㎏f-㎝의 굽힘 모멘트가 걸린다면 이 축에 생기는 굽힘 응력은 약 몇 ㎏f/cm2인가?
42. 프레스가공에서 전단력의 감소를 목적으로 다이 또는 펀치를 경사지게 하는 것을 무엇이라 고 하는가?
43. 보일러와 같이 기밀을 필요로 할 때 리베팅 작업이 끝난뒤에 리벳머리의 주위와 강판의 가장 자리를 75°~85°가량 정(chisel)과 같은 공구로 때리는 작업을 무엇이라고 하는가?
44. 다음 중 알루미늄(AI)의 특성이 아닌 것은?
45. 3줄 나사의 피치가 4.5㎜일 때 이 나사의 리드 는 몇㎜인가?
46. 금속으로 만든 작은 강구인 쇼트(shot)를 고속으로 가공물표면에 분사시켜 피로강도를 증가하기 위한 냉간가공법을 무엇이라고 하는가?
47. 알루미늄 원형단면봉이 축하중 P=70kN을 받고 있고, 봉의 길이 L=2m, 직경 d=20㎜, 탄성계수 E=70 Gpa이다. 포아송의 비 v=1/3일 때 신장량(δ)은?
48. 공기압 회로에서 다수의 에어 실린더나 액추에이터를 사용할 때, 각 작동순서를 미리 정해두고 그 순서에 따라 움직이고 싶은 경우 사용하는 밸브로 가장 적합한 것은?
49. 컨테이너속에 재료를 넣고 램으로 압을 주어 가공하는 소성가공법은?
50. 다음 중 청동(bronze)의 주성분인 것은?
51. 다음 중 두 축이 교차하는 경우에 사용하는 기어는?
52. 어떤 터보압축기가 3×104rpm으로 회전할 때 유량이 12m3/min를 발생 시킨다. 이 압축기의 회 전수를 4×104rpm으로 증가시켰을때 유량m3/m -in은?
53. 다음 중 전기저항 용접이 아닌 것은?
54. 동합금 중에서 가장 높은 강도와 경도를 얻을수 있는 합금은?
55. 주동 링크에서 종동 링크로 운동과 힘을 전달하는 것으로 적당하지 않은 것은?
56. 리벳이음의 강도설계시에 주로 고려되는 리벳이음의 세가지 파괴형태로 가장 적합한 것은?
57. 가스용접에서 불꽃과 피용접 금속과의 관계에 용접할 금속이 황동인 경우 다음 중 가장 적합한 불꽃은?
58. 다음 중 축에 키홈 가공을 하지않고 보스에만 가공하는 키는?
59. 세라믹스의 성질에 대한 설명이다. 맞지 않는 것은?
60. 전양정이 25m, 유량이 25ℓ/sec인 유압펌프에 공급되는 축동력은 약 몇 kW인가? (단, 유체의 비중량은 900㎏f/m3이고, 이 펌프의 효율은 85%이다.)
4과목: 전기제어공학
61. 그림과 같은 유접점 논리회로를 논리 게이트 심벌로 바꾸었을 때, 옳은 것은?




62. 그림과 같이 철심에 두 개의 코일 C1, C2를 감고 코일 C1에 흐르는 전류 I에 △I 만큼의 변 화를 주었다. 이 때 일어나는 현상에 대한 설 명으로 틀린 것은?
63. 변압기에 대한 다음의 관계식 중 틀린 것은?
64. 역률에 관한 다음 설명 중 틀린 것은?
65. 전동기로 구동되는 탱크속의 물의 수위를 조절하는 밸브가 온-오프 동작을 하는데 6회전이 필요하다. 전동기는 600rpm으로 회전하며, 개방상태에서 밸브를 통해서 60L/min의 양이 유출된다. 600L 탱크 속의 물을 채우는데 소요되는 밸브의 응답시간은 몇 초 인가?
66. 그림과 같은 블록선도에서 C(S)/R(S) 에 해당되는 것은?
67. 논리식
를 가장 간단히 정리한 것은?




68. 그림과 같은 회로에서 10Ω의 저항에 흐르는 전류는 몇 A인가?
69. 컴퓨터 제어의 A/D 변환기에서 아날로그 신호의 최대값을 M, 변환기의 bit 수를 3이라 하면 양자화 오차(quantization error)의 최대값은?
70. 와류 브레이크(eddy current break)의 특징이나 특성에 대한 설명으로 옳은 것은?
71. PLC(Programmable Logic Controller)의 출력부에 설치하는 것이 아닌 것은?
72. 서보 전동기의 특징이 아닌 것은?
73. 플로우 챠트를 작성하는데 잇어서 다음 기호의 의미는?
74. S.C.R(실리콘 정류소자)의 특징이 아닌 것은?
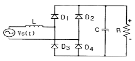
75. 2π[rad]을 각도로 표시하면 몇 도인가?
76. 10V의 전압을 인가할 때 3A의 전류가 흐르는 전선에 25V의 전압을 가하면 몇 A의 전류가 흐르는가?
77. 단위 피드백 제어계통에서 입력과 출력이 같다면 전향전달 함수 G의 값은?
78. 절연의 종류에서 최고 허용온도의 순서가 옳은 것은?
79. 그림과 같은 정류회로에 L과 C를 부착하여 파형을 개선 시키고자 한다. 다음 중 틀린 것은?
80. 파이프는 무슨 요소에 해당되는가?
엘리베이터 권상형 주로프는 주로 5~7호가 사용되는 이유는 이 범위의 권수가 가장 적당한 강도와 내구성을 가지기 때문이다. 또한, 이 범위의 권수를 사용하면 로프의 직경이 적당하게 유지되어 엘리베이터의 속도와 적재물의 무게를 견딜 수 있다.